One of the benefits of using a microcontroller (MCU) from a big-name supplier is you get a rich ecosystem of development tools as part of the package deal. The lack of development tools for many RISC-V microcontrollers can be a drawback, despite the many virtues of RISC. But what if you could design with a RISC-V MCU with the added benefit of professional development tools?
A new partnership between IAR Systems, a supplier of software tools and services for embedded development, and GigaDevice Semiconductor Inc., a provider of RISC-V IP, indicates that they can provide the best of both worlds.

Screenshot of IAR Systems' Embedded Workbench. Image used courtesy of IAR Systems
Their aim is to provide powerful development tools for GigaDevice’s RISC-V based microcontrollers.
The Benefits and Trade-offs of RISC-V
RISC stands for reduced instruction set. All RISC instruction set architectures (ISA) have two defining features.
The first is that a RISC-based microprocessor requires fewer clock cycles to execute an instruction because it is composed of fewer and simpler instructions than more complex instruction sets. RISC-V includes features that, in the right application, can reduce power requirements while increasing operating speed.
The other defining feature of all RISC ISAs is the cost—there is none. RISC is completely open-source.
But, a cautionary note. RISC, even the latest RISC-V, offers a reduced instruction set and a somewhat sparser overall ecosystem. Engineers will have some very stark choices to make at the earliest stage of their designs, evaluating whether RISC is the right choice for their application.
How Do GigaDevice’s RISC-V MCUs Compare to Others?
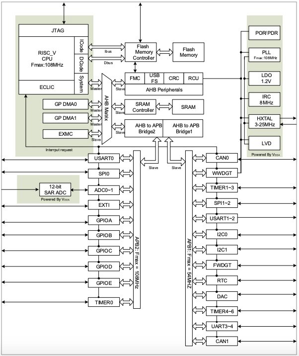
GigaDevice’s GD32VF103 series of RISC-V 32-bit MCUs operate at 108 MHz. They offer up to 32 KB of SRAM memory up to and 128 KB of Flash memory.
Users can choose from a selection of I/Os and peripherals, which are connected via two advanced peripheral buses (APB). Up to two 12-bit DACs, two 12-bit ADCs, and four general 16-bit timers are available. As many as three SPIs and USARTs can be specified, as can two each of I2Cs, UARTs, I2Ss, and CANs.

Block diagram of GD32VF103. Image used courtesy of GigaDevice
A power savings mode on the device makes it a powerful choice for when low power consumption is key.
GigaDevice is far from the only player offering IP in the RISC-V arena. SiFive claims that its RISC-V cores are "the most silicon-deployed RISC-V solutions in the world.”
SiFive offers both 32- and 64-bit IP solutions. Offerings range from quad-core specifications down to 2-3 stage, single-issue pipeline solutions optimized specifically for power-stingy applications where saving on-board real estate is a priority.
An Embedded Workbench Specifically for RISC-V
IAR’s Embedded Workbench for RISC-V development targets the RV32 and RV32E 32-bit RISC-V cores with plans to include 64-bit support in future releases. A C/C++ compiler and debugger toolchain, the Embedded Workbench enables designers to generate code optimized for small size and high speed.

IAR System’s Embedded Workbench includes a 30-day evaluation license, the eval board itself, a debug probe, and an IAR Academy course on RISC-V eval kits. Image used courtesy of IAR Systems
C-Stat is a static analysis tool within the IAR Embedded Workbench that can enforce code compliance in line with best practices for programming and specific standards. In addition to improving code quality, C-Stat generates those reports that may be needed for certification.
C-SPY is a debugging tool included in the IAR Embedded Workbench. This debugger is said to help developers get to the root of specific bugs, opening the door for quick fixes at early development stages.
Giving the Kit a Test Run
Companies with commercially-viable development projects who want to try the IAR Embedded Workbench and GigaDevice’s GD32 microcontrollers will have access to evaluation kits free of charge.

Evaluation kit for RISC-V. Screenshot used courtesy of IAR Systems
The kit includes a 30-day evaluation license for the IAR Embedded Workbench for RISC-V. There is also the RISC-V GigaDevice evaluation board. Another useful inclusion is the IAR Academy on-demand course, Introduction to RISC-V Evaluation Kit.
Perks of the Partnership
GigaDevices is largely known for its NOR flash memory devices while the well-established, Swedish-based IAR systems have sales and support offices all over the world. This partnership will afford GigaDevices a chance to gain access to an ever-widening portal of opportunity.
From your experience, what are the pros and cons of working with RISC-V? Share your thoughts in the comments below.
