Components such as those in the GiGuard series can help you to protect your circuit from transient events while maintaining high-speed performance.
Concerns about dangerously high transient voltages are not limited to harsh-environment applications such as military and industrial systems, and the primary reason for this is electrostatic discharge (ESD).
It is certainly reasonable to expect that various consumer and embedded devices—especially those powered by a battery!—will not have to worry about lightning strikes, or generator malfunctions, or whatever else can cause dangerous power or signal transients. But any time you have a conductive interface to the outside world, you must consider the damage that could be caused by ESD.
Though static charge buildup can create extremely high voltages (i.e., thousands of volts), the actual power involved in an ESD event is very low. This is why humans don’t live in constant fear of being killed by an ESD strike. This is also why various larger components are not damaged by ESD.

This plot shows how a GiGuard device reacts to an 8 kV ESD strike.
But as you’ve probably noticed, integrated circuits are rather small these days, and the semiconductor devices inside of them are even smaller—much, much, much smaller. Tiny devices don’t do well with thousand-volt discharges, even when such discharges are of the low-power variety.
It is not difficult to protect a circuit from ESD. A transient voltage suppressor (TVS) will do the job, and there are many to choose from. There is one little complication, though: TVS diodes come with capacitance. In many situations, this additional capacitance is small enough to be totally irrelevant, but such is not the case when we’re dealing with high-speed communication.
As I mentioned above, external connections expose your device to ESD risks, and thus we need to consider including TVS diodes on signals associated with USB, Ethernet, and other standard communication interfaces. However, we don’t want to load down these high-frequency signals with too much extra capacitance.
How Many pF Is Too Much?
The GiGuard series from AVX offers ESD protection with capacitance values ranging from 0.3 pF to 17 pF. The value that is most appropriate for a particular design depends, of course, on the nature of the signals involved. You would probably need to do some sort of SPICE simulation to get a clear idea of how a little extra capacitance could affect your signal.
As far as general considerations, the first thing I’ll say is that 0.3 pF is a very, very small amount of capacitance. We’re dealing with femtofarads, here. I mean, seriously—if your digital circuit can’t handle an additional 300 fF, I don’t know what to tell you. (Analog is a different story—this article from ADI points out that even a few tenths of a picofarad in the wrong place can cause trouble in a sensitive op-amp circuit.)
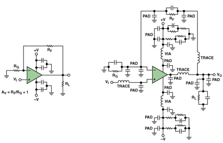
The next thing to keep in mind is that PCB traces have capacitance (generally on the order of a few picofarads per inch, but of course there are variables).

This rather amusing diagram from Analog Devices gives you an idea of how complicated a circuit becomes when parasitic PCB capacitance is incorporated into the schematic.
So if the capacitance of your TVS diode is comparable to the amount of parasitic capacitance from PCB traces and vias, it’s probably safe to assume that the diode is not going to greatly alter the performance of the circuit.
Bidirectionality
We want to protect the components connected to our signal lines from transient voltages associated with ESD. Thus, we connect the TVS diode between the signal line and ground, because this allows the diode to divert transient energy to the return path. So we really only need one diode, with the cathode connected to the signal and the anode to ground (because TVS functionality is based on reverse breakdown, not normal diode conduction).
Why, then, are the GiGuard devices bidirectional?

Diagram taken from the GiGuard datasheet.
Well, I can’t tell you exactly why they chose to design them this way. Presumably it has something to do with making them more versatile, i.e., compatible with applications that need bidirectional protection. But my point here is that this is a great feature even if you only need unidirectional functionality. Why? Because you don’t have to worry about getting the polarity correct when you assemble the board!
The fact is, these components are minuscule. The package options are 0402 and 0201, which (if I recall correctly) translate to “grain of sand” and “atomic nucleus,” respectively. In my experience, diodes are notorious sources of PCB assembly problems, even when you’re dealing with reasonable form factors. But with a bidirectional device, the polarity issue disappears.
Do you have any tips or techniques for high-speed ESD protection? If so, feel free to share your thoughts in the comments.
