During the process of charging, even wireless earbuds must be in electrical contact with the charging block. Not only must power be delivered, but data communications must be established between earbud and dock to carefully monitor and control the sensitive charging process.
One issue designers may face is that wireless earbuds are so small that the electromechanical interface that tethers them temporarily to the dock during charging takes up a significant portion of the earbud’s surface area.

MAX20340's stated application is true wireless earbuds. Image (modified) used courtesy of Maxim Integrated
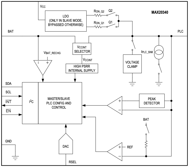
Maxim Integrated's MAX20340, a powerline communications (PLC) IC, is said to allow the same two "wires" to both 1) deliver power to wearables and 2) enable communication between the wearable and the charging dock.
The IC is unique in that it keeps the number of electrical wires (embodied by electrically conductive mechanical pins) down to two. Maxim estimates the earbud’s total surface area—that must be set aside to establish power and data connection—can be cut by up to 80%.
Mechanical Reliability and Space Saving
The lighter the earbud, the more comfortable it will be to the user; however, there won’t be much of a base for electrical pins to anchor themselves. Because Maxim's new PLC requires only two pins, the already-limited base undergoes less stress. This also means that there are fewer potential points of failure.

Functional diagram of the MAX 20340. Image used courtesy of (PDF) Maxim Integrated
The MAX20340 IC chip measures at 1.84 mm2. This size is especially critical given the minuscule area in a wireless earbud for circuitry of any kind.
As noted by Andrew Baker, managing director of the industrial and healthcare business unit at Maxim Integrated, “Customers demand smaller form factors without sacrificing features and performance. The MAX20340 enables wireless earbud and bio-sensing ring makers to create the comfortable, lightweight products consumers demand.”
Major Features
The MAX20340 features a maximum bit rate of 166.7 kbps. It can also deliver a charge of over 1.2A.
The unit operates from a supply voltage ranging from 3.4V to 5.5V with 1 μA required during shutdown.
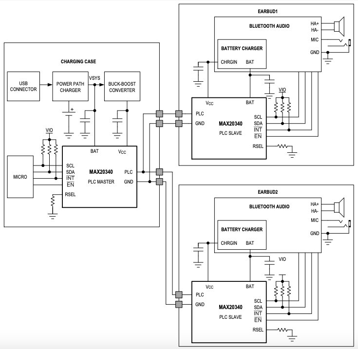
In the image below, the PLC is deployed in master mode in the charging cradle. In the slave mode, a unique address can be chosen, so both of the true wireless earbuds can be charged using one PLC master. Users can program these and other features using the I2C interface.

The MAX 20340 in an earbud charging application. Image used courtesy of (PDF) Maxim Integrated
Maxim anticipates that this PLC will eventually find application in adjacent markets requiring more power and greater data transmissions, such as gang charging or overnight warehouse device charging.
Physical Considerations
The unit operates over a -40°C to +85°C temperature range. It is made available in a 9-bump, 0.4mm pitch, 1.358mm x 1.358mm wafer-level package.
Applications
In addition to Maxim's target use for MAX20340, true wireless earbuds, the PLC can also be used for tethered wireless earbuds and hearing aids. The device might also find a home in wearables, game controllers, handheld radios, and point-of-sale devices.
Evaluation and Support Tools
Maxim supplies the MAX20340 evaluation kit, which is designed to help users thoroughly evaluate the PLC. The kit is animated by a MAX32625PICO MCU that contains all necessary firmware to use the kit’s GUI program. It interfaces with Windows computers with a USB.
What design challenges do you face when working with circuitry for extremely small applications, like wireless earbuds? Share your experiences in the comments below.
